電磁換向閥4WE6D61力士樂液壓閥電磁換向閥4WE6D61/CW220N9Z5L/4WE6D61/CG24N9Z5L

防偽碼: CMSEASY2xFOj6xUcbXMbky258
添加時間: 2018-09-15 11:30:02
推薦度:

打印本文             

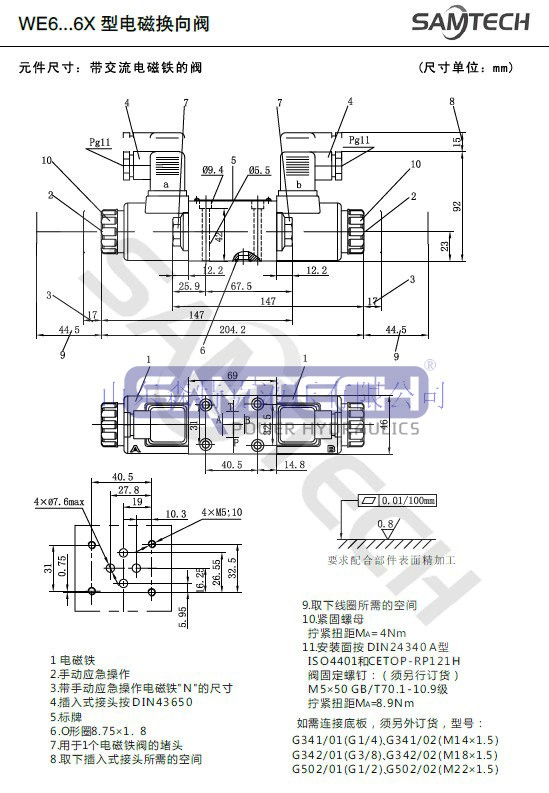
15369822745647.jpg

15369822748954.jpg

15369822741113.jpg


快速預約上門 Reservation
聯系我們 Contact US
  • 地 址:山東森特克液壓有限公司
  • 電 話:0537-5415166
  • 手機:18905377799
  • 郵 箱:senteke@foxmail.com

Copyright ?山東森特克液壓有限公司 | 螺紋插裝閥&二通插裝閥應用專家 | 致力于插裝閥集成系統優訂制&液壓伺服控制系統,Inc.All rights reserved.  魯ICP備16019183號  

Go To Top 回頂部
毛片a级